PRODUCTS
A系列继电器插座
AL 30A/40A
车用继电器插座- 特点
- 额定电流 40A、额定电压 300V,适合高电流应用
- 介电强度 2000V/S,具备良好绝缘性能
- 工作温度范围 −40℃ ~ +65℃,能适应多种环境
- 轻量化设计,重量仅 7g,安装方便
应用
汽车继电器插座:适用于车用高电流继电器配线工业控制回路:马达、泵浦等高电流设备控制
配电盘与电力设备:作为高电流保护与控制介面
空调、冰箱、加热器等家电设备接线
| 产品规格 AL 30A/40A |
插座型号 | AL 30A/40A | |
额定负载 | 电流 | 40A |
电压 | 300V | |
介电强度 | 2000V/S | |
环境温度 | −40℃ ~ +65℃ | |
重量 | 7 g |
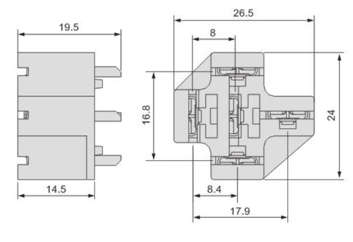
| 外形尺寸图 |

外形尺寸(单位:mm)