PRODUCTS
G系列继电器插座
GN-2C-A1
G系列继电器插座- 特点
- 额定电流 8A、额定电压 300V,适合中低电流应用
- 高介电强度:线圈/触点可达 5000V/S,触点间 2000V/S,具备优异绝缘性能
- 工作温度范围 −40℃ ~ +85℃,可在严苛环境下稳定运行
- 轻量化设计,重量仅 3.4g,安装便利
应用
工业控制系统:PLC I/O 接线、小型控制回路马达与驱动:小型马达、电磁阀控制
自动化设备:包装机、组装产线的低功率信号切换
家电与电子产品:冰箱、烤箱、小型加热器
电源与照明回路:UPS 切换、小型照明控制
| 产品规格 GN-2C-A1 |
插座型号 | GN-2C-A1 | |
额定负载 | 电流 | 8A |
电压 | 300V | |
介电强度 | 线圈 / 触点:5000V/S 触点间:2000V/S |
|
环境温度 | −40℃ ~ +85℃ | |
重量 | 3.4 g |
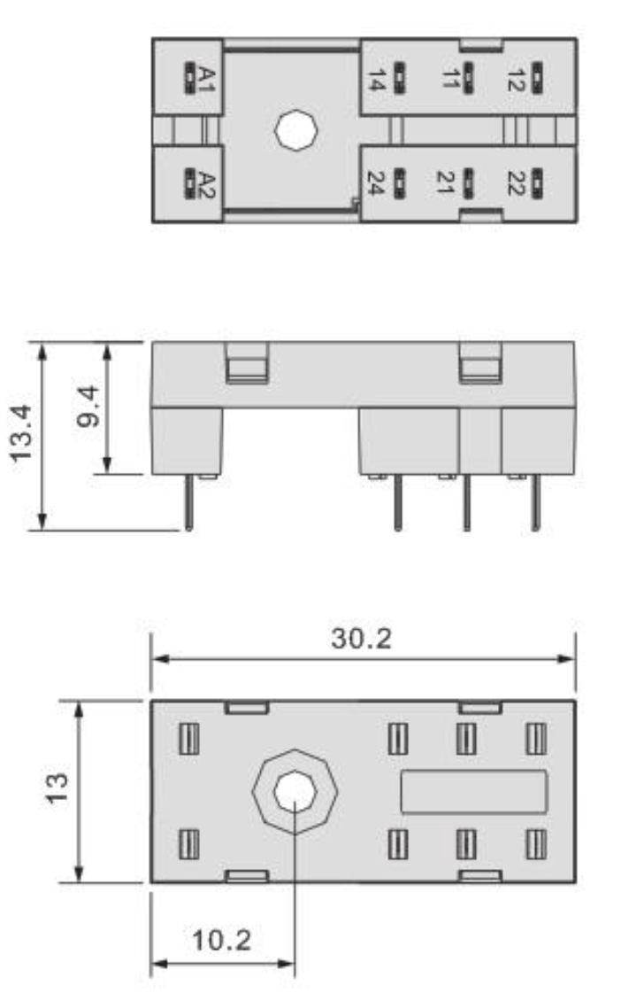
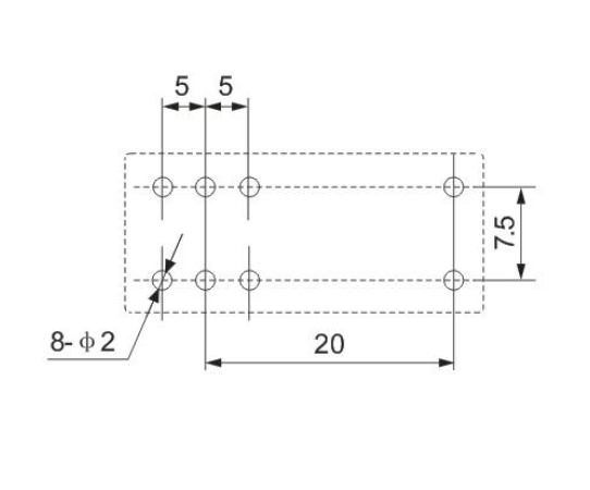
| 外形尺寸图 |

外形尺寸(单位:mm)