PRODUCTS
| 产品规格 HB-4C-C4 |
插座型号 | HB-4C-C4 | |
额定负载 | 电流 | 10 A |
电压 | 300 V | |
介电强度 | 线圈 / 触点:4000 V/S 触点间:2500 V/S |
|
螺丝扭力 | 1.0 Nm | |
外部接线 | 20–14 AWG / 0.5–2.5 mm² | |
环境温度 | −40 ℃ ~ +85 ℃ | |
重量 | 62 g |
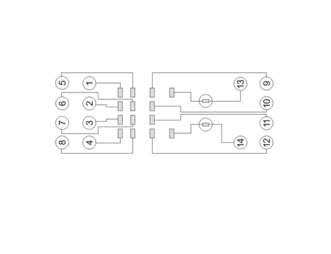
| 外形尺寸图 |

外形尺寸 (单位:mm)
插座型号 | HB-4C-C4 | |
额定负载 | 电流 | 10 A |
电压 | 300 V | |
介电强度 | 线圈 / 触点:4000 V/S 触点间:2500 V/S |
|
螺丝扭力 | 1.0 Nm | |
外部接线 | 20–14 AWG / 0.5–2.5 mm² | |
环境温度 | −40 ℃ ~ +85 ℃ | |
重量 | 62 g |
外形尺寸 (单位:mm)