PRODUCTS
H系列繼電器插座
HB-2C-A2
H系列繼電器插座- 特點
- 額定 12A / 300V,適合中小型電路負載
- 介電強度 2000V/S,確保安全絕緣性能
- 工作溫度範圍 −40℃ ~ +85℃,能應對嚴苛環境
- 超輕量設計,重量僅 6 g,便於安裝
應用
汽車繼電器插座及車載電路工業控制:PLC I/O、控制迴路切換
馬達、風扇、泵浦控制
HVAC:壓縮機與加熱器
家電與小型電源設備
| 產品規格 HB-2C-A2 |
插座型號 | HB-2C-A2 | |
額定負載 | 電流 | 12 A |
電壓 | 300 V | |
介電強度 | 2000 V/S | |
環境溫度 | −40 ℃ ~ +85 ℃ | |
重量 | 6 g |
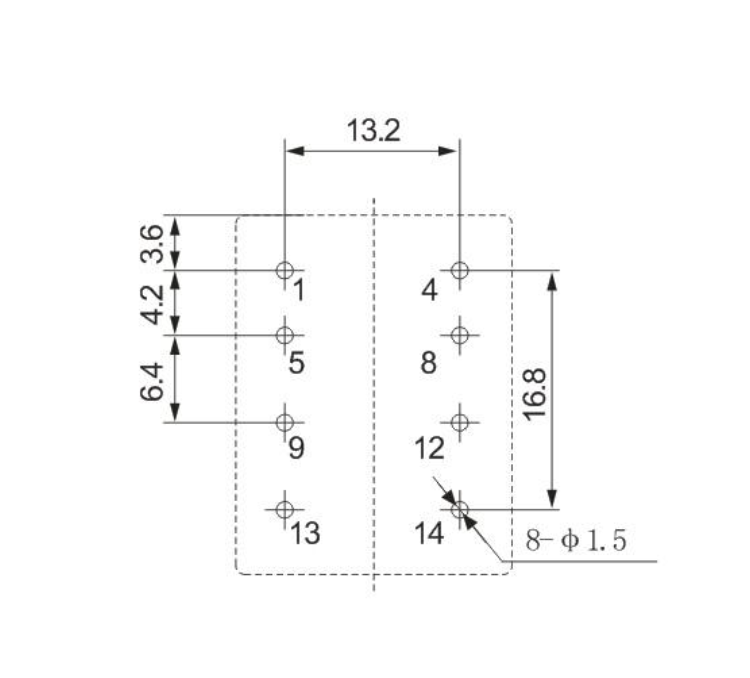
| 外形尺寸圖 |

外形尺寸 (單位:mm)